CHECK OUT THIS MONTH'S HOTLINE OFFERS HERE!  🛠️    |   ❄️   Check out our Christmas opening hours here   🎄   |   🎁   Christmas Gift Ideas  🎅   |  🚘

 

MGC Engine

Engine

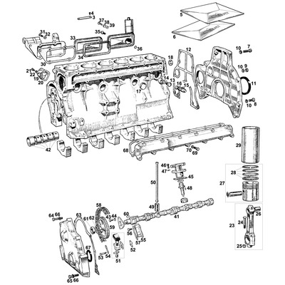
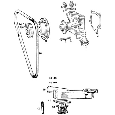
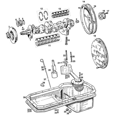
When it comes to restoring your MGC's engine performance, our comprehensive range of engine components offers the most authentic and reliable solutions available to classic motoring enthusiasts. Manufactured by our trusted suppliers and carefully selected for their adherence to original specifications, we ensure authenticity by sourcing components that meet or exceed factory standards with meticulous attention to detail. Whether you're undertaking a complete engine rebuild or simply replacing worn components due to natural wear, we supply everything from precision-engineered bearings and high-quality seals to complete gasket sets manufactured to original tolerances.

Engine
Image map: Pinch to zoom, drag to pan. Hold on numbers for info. Tap a number to filter.
Image map: Double click to zoom. Click and drag to pan. Hover on numbers for info. Click a number to filter.
Recently Viewed Items

Sorry, but you need to update your browser to use our website.

We apologise for any inconvenience this may cause and thanks for your patience.

To place a phone order:
01954 230928

Customer Support: sales@mgocspares.co.uk

Thank you
The MGOC Spares & Accessories Team