CHECK OUT THIS MONTH'S HOTLINE OFFERS HERE!  🛠️    |   ❄️   Check out our Christmas opening hours here   🎄   |   🎁   Christmas Gift Ideas  🎅   |  🚘

 

MGC Cooling

Cooling

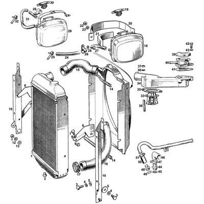
Ensure optimal cooling performance for your MGC with precision parts from MGOC Spares. The MGC used a semi-sealed system, with a separate expansion tank located on the front left-hand side of the engine bay. The expansion tank had a 10lb pressure relief cap fitted (14lb in USA) and a non-pressure relief cap on the thermostat housing used for filling or topping up the system. The MGC radiator was mounted further forward than the MGB, a 6-blade yellow fan was driven from the water pump pulley (yellow 8 Blade metal fan on USA cars) and an 82 degrees thermostat was fitted as standard, with options for 74 or 88 degrees dependant on climate.

Cooling
Image map: Pinch to zoom, drag to pan. Hold on numbers for info. Tap a number to filter.
Image map: Double click to zoom. Click and drag to pan. Hover on numbers for info. Click a number to filter.
Recently Viewed Items

Sorry, but you need to update your browser to use our website.

We apologise for any inconvenience this may cause and thanks for your patience.

To place a phone order:
01954 230928

Customer Support: sales@mgocspares.co.uk

Thank you
The MGOC Spares & Accessories Team