⚙️ CHECK OUT THIS MONTH'S HOTLINE OFFERS HERE!  🛠️    |   ❄️   Check out our Christmas opening hours here   🎄   |   🎁   Christmas Gift Ideas  🎅   |  🚘   FREE UK Mainland Delivery for orders over £150*    📦  |

 

Midget Brightwork

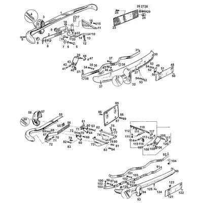
Brightwork

Add a touch of elegance and shine to your MG Midget with our premium brightwork accessories. At MGOC Spares, we offer a comprehensive selection of brightwork parts, including chrome trims, badges, and grilles, designed to enhance your car's exterior appearance. Our brightwork accessories are crafted to exacting standards, ensuring a perfect fit and long-lasting beauty. MkII With the addition of new door assemblies, external door handles made by Wilmot Breeden were now fitted with the addition of a key-operated locking barrel. A pivoting quarter light assembly with a locking latch lever was also fitted. MkIII The GAN4 models retain much of the exterior trim of the MkII but some detail changes were made throughout production. From the introduction of GAN5, the radiator grille was now made of aluminium finished in satin black with a small central plinth for the centrally mounted badge. The front and rear bumpers carried a pair of smaller rubber inlaid overriders. The sills were now finished in black with a dividing moulding trim between the main body. The boot lid badge now had the octagonal MG motif. 1500 The new front bumper removed the need for a cosmetic radiator grille however, to protect the radiator from stones, a black mesh grille was installed. Front indicators were added to either end of the bumper with the side lights incorporated into the headlamp. A small red, octagonal MG badge was fitted to the centre of the air intake.

Brightwork
Image map: Pinch to zoom, drag to pan. Hold on numbers for info. Tap a number to filter.
Image map: Double click to zoom. Click and drag to pan. Hover on numbers for info. Click a number to filter.
Recently Viewed Items

Sorry, but you need to update your browser to use our website.

We apologise for any inconvenience this may cause and thanks for your patience.

To place a phone order:
01954 230928

Customer Support: sales@mgocspares.co.uk

Thank you
The MGOC Spares & Accessories Team